
傳真:
18923864027
QQ:
709211280
地址:
深圳市福田區振中路84號愛華科研樓7層
雙極性三極管的詳解雙極性三極管(BJT)只有一種粒子參與導電,也稱晶體管。它是通過一定的工藝將兩個PN結結合在一起的器件,有PNP和NPN兩
PNP晶體管匹配電路與配置電阻值介紹PNP晶體管與我們在上一個教程中看到的NPN晶體管器件完全相反?;旧希谠谶@種類型的晶體管結構中,兩
電子管OTL功放原理與電路介紹電子管OTL功放原理及電路OTL是英文Output Transformer Less Amplifier的簡稱,是一種無輸出變壓器的功率放
二極管電橋是怎么工作的二極管電橋是用于將交流電 (AC) 轉換為直流電 (DC) 的簡單電路。在本指南中,您將了解它是如何工作的、它的
三極管的工作原理介紹在電子線路中三極管是非常重要的元件之一,也是非常復雜的元件之一。三極管是一種電流控制電流的半導體器件,其作用是
光電晶體管的工作原理,怎么用光電晶體管構建一個自動開關光電晶體管是用于檢測電子項目中光的非常有用的組件。您經常會在遙控接收器、脈搏
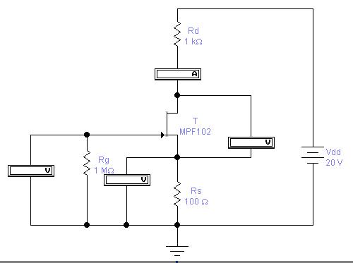
結型場效應管JFET偏置電路介紹一、 實驗目的1、 學習JFET自偏電壓電路。2、 學習JFET分壓偏置電路。3、 估算JFET自偏壓電路的靜態工作
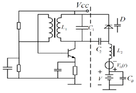
變容二極管直接調頻電路實驗介紹一、實驗目的1 掌握用變容二極管調頻電路實現FM的方法;2 理解靜態調制特性、動態調制特性概念和測試方法。
BUCK電路中的同步整流和非同步整流介紹現在的buck電路大多數用的集成芯片,你可以發現基本看不到開關管、二極管的身影,只能看到電感。一方
開關電源的輸出二極管選取要考慮什么因素開關電源的輸出二極管選取一般要考慮以下因素:根據電源的開關速度來選取不同反向恢復時間的二極管
PMOS晶體管工作原理,pmos晶體管的各個工作區域介紹PMOS晶體管,也稱為P溝道金屬氧化物半導體,是一種晶體管形式,其中溝道或柵極區域使用p
介紹晶體管偏置的大小由什么決定的一般來說,輸人信號是微弱的。因此,預先對基極流通一定大小的電流,在此基礎上即使輸入信號稍有變動,其