電子管OTL功放原理及電路
OTL是英文Output Transformer Less Amplifier的簡稱,是一種無輸出變壓器的功率放大器。
一. OTL電子管功放電路的特點
普通電子管功率放大器的輸出負載為動圈式揚聲器,其阻抗非常低,僅為4~16Ω。而一般功放電子管的內阻均比較高,在普通推挽功放中屏極至屏極的負載阻抗一般為5~10kΩ,故不能直接驅動低阻抗的揚聲器,必須采用輸出變壓器來進行阻抗變換。由于輸出變壓器是一種電感元件,通過變壓器的信號頻率不同,其電感線圈所呈現的阻抗也不同。為了延伸低頻響應,線圈的電感量應足夠大,圈數也就越多,因此在每層之間的分布電容也相應增大,使高頻擴展受到限制,此外還會造成非線性失真與相位失真。
為了消除這些不良影響,各種不同形式的電子管OTL無輸出變壓器功率放大器應運而生,許多適用于OTL功放的新型功率電子管在國外也不斷被設計制造出來。電子管OTL功率放大器的音質清澄透明,保真度高,頻率響應寬闊,高頻段與低頻段的頻率延伸范圍一般可達10HZ~100kHz,而且其相位失真、非線性失真、瞬態響應等技術性能均有明顯提高。
二 電子管OTL功放電路的形式
圖1(a)~圖1(f)是OTL無輸出功放基本電路。圖1(a)和圖1(b)為OTL功放兩種供電結構的方式,即正負雙電源式和單電源供電方式。在正負雙電源式OTL功放中,中心為地電位。這樣可保證推挽電路的對稱性,因此可以省略輸出電容,使功放的頻率響應特性更佳。單電源式OTL電路為了使兩只推挽管具有相同的工作電壓,必須使中心點的工作電壓等于電源電壓的一半。同時,其輸出電容C1的容量必須足夠大,不影響輸出阻抗與低頻響應的要求。


圖1(c)和圖1(d)為OTL功放電子管柵極偏置的取法。由于上邊管陰極不接地,因此上邊管的推動信號由柵極與陰極之間加入,而下邊管的推動信號可由柵極與地之間加入。至于其偏置方式,上邊管可通過中心點對地分壓后取出,而下邊管的偏置電壓必須另設專門的負壓電源來供給。
圖1(e)和圖1(f)為OTL倒相電路的應用。圖1(e)為采用屏陰分割式倒相電路對OTL功放進行激勵。只要倒相管的屏極負載電阻RL與陰極負載電阻RK的阻值相等,其輸出的激勵電壓總能獲得平衡。
圖1(f)為采用共陰極差分式倒相電路。由于共陰極電阻RK,的阻值較大,具有深度負反饋作用,故電路穩定可靠。同時,只要擔任差分放大的上管與下管的屏極負載電阻取值相等,其兩管的屏極總能輸出一對相位相反、幅值相等的推動信號電壓。
三、OTL功放電路的選管
對于電子管OTL功放的輸出級,不是所有功率電子管均能適用,必須選用符合如下條件的功率電子管才能取得良好的效果。
1.低內阻特性
一般功率電子管的屏極內阻為10kΩ左右,不適用于OTL功放。OTL功放必須選用屏極內阻在200~800Ω的功率電子管。這些低內阻功率電子管有6AS7、6N5P、6C33C-B、6080、6336等。
2.低屏壓、大電流特性
一般功率電子管的屏極電壓均為400V左右,高屏壓電子管可達800~1000V,而OTL功放必須選用屏極電壓在150~250V之間的低屏壓、大電流特性的功率電子管來擔任。以上所列低內阻功率電子管均具有低屏壓、大電流的工作特性。此外還有6C19、6KD6、421A、6146等功率電子管。這些電子管本身具有低屏壓、大電流特性,但其屏極內阻稍高,應多管并聯才能適用于OTL功放。
3.采用新型OTL功放專用功率電子管
這類電子管不僅內阻較低,而且具有低屏壓、大電流特性,如6HB5、6LF6、17KV6、26LW6、30KD6、40KG6等。為了降低電子管燈絲的功耗,許多用于OTL功放的功率電子管的燈絲電壓提高到20~40V,以便于串聯使用。
四 幾種OTL功放典型電路
1.新型三極功率管OTL功放
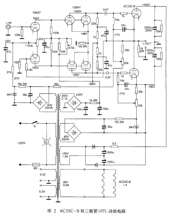
圖2是6C33 C-B雙三極管OTL功放電路圖。本電路采用國外新型低內阻、大功率雙三極管6C33C-B作OTL功放,每個聲道用一對6C33C-B作功率放大,在輸出8Ω負載時,每聲道的輸出功率可達40W。


本OTL功放輸入級采用高放大系數雙三極電子管12AX7組成前級差分兼倒相電路。該電路具有輸入阻抗高、動態范圍大的特點。為了拓寬頻響、減小相位失真,輸入級與推動級之間采用直接耦合的方式。為提高前級增益,在差分輸入管12AX7的陰極加上-22 V 電壓,并串接了一只1.1mA的恒流二極管,使前級工作更加穩定可靠。
推動放大級由中放大系數雙三極電子管12BH7擔任,該管特性與l2AU7、12JD8、5687等雙三極管特性相近。為了增大屏極電流,提高推動級輸出能力,特將兩只三極管并聯使用,每管屏極電壓高達265V,組成共陰極推動放大電路。為提高推動級各項電性能、減小失真、拓寬頻響,在兩管的陰極加有較深的電流負反饋。
OTL功放輸出級每個聲道采用一對新型雙三極功率電子管6C33C-B。前級一對幅值相等、相位相反的推動信號經過兩只0.47 F電容耦合至功放管。
本OTL功放級采用正負雙電源形式,其功放級工作電壓為±182V。功放管6C33C-B的柵極與陰極間的最高負壓值為-60V,上邊管的柵負壓由單獨的負壓電源供給,下邊管的柵負壓則由另一組負電壓供給。
為提高OTL功放的各項電性能,在OTL中點輸出端與輸入端之間通過1.8kΩ電阻加了適當的電壓負反饋,使整機電性能穩定可靠。本機的頻率響應為10Hz~200kHz(±0.1dB)。
在OTL功放電源供給方面,功放級的正負高壓由電源變壓器中135V/1.3A繞組經二極管正反相整流濾波后取得±182V高壓。輸入級與推動級的屏極高壓由電源變壓器300V/0.1A繞組經二極管橋式整流濾波后輸出+395V高壓,并經去耦電阻降壓后得到+265V和+140V電壓,分別供給12AX7和12BH7。柵負壓電源分為兩組,由電源變壓器中的兩個獨立繞組60V/50mA經整流濾波后分別供給OTL功放管的柵極作為柵負偏壓,并通過兩只20kΩ可變電位器進行調節。燈絲電源分為3組,前級各聲道為2組。功放管6C33C-B燈絲有兩種用法,當串聯使用時為12.6V/3.3A,并聯使用時為6.3V/6.6A,本機采用的是串聯方式。
2.普通三極管OTL功放
圖3是6KD6五極管OTL功放電路圖。它是將普通束射四極管或五極功率電子管改為三極管接法的OTL功放,利用了電子管簾柵極在相同柵壓下可以輸出較大電流的特點。原來由于相對的屏極內阻較大,限制了工作電流,但改成三極管接法以后,簾柵極的電壓與屏極電壓處于同等電位,屏極內阻大幅度下降,加強了屏極承受較大電流的能力,因此能在低阻抗負載下輸出較大功率。


對于普通功率電子管改成三極管接法的OTL功放來說,并不是所有功率管均能采用,必須選用屏極電壓范圍較大的束射四極管或五極功率電子管,如6KD6、6L6、6P3P、6146等。同時,功放級還必須采用多只功率管并聯的方式,在8Ω低阻抗負載時,每聲道采用6只功率管并聯才能符合低阻抗負載的要求,并且輸出功率僅為30W 左右。
本OTL功放的輸入級由高放大系數電子管6J2擔任,可將輸入的音頻信號進行較大幅度提升,單級電壓增益可達30dB以上。經放大后的信號電壓采用直接耦合的方式傳輸至倒相級。倒相級由高屏壓雙三極管6SN7擔任,屏極電壓取值為340V。由該管組成屏陰分割式倒相電路,屏極與陰極的負載電阻均取值為33kΩ。這樣,在輸出端即可取得一對幅值相等、相位相反的推動信號電壓。
OTL功放級采用SEPP并聯推挽電路,可選用6KD6、6L6、6P3P等屏壓范圍大的功放管,并將其改為三極管接法。采用6只功放管并聯的輸出方式,使輸出阻抗達到8~16Ω。
功放級電源為正負雙電源形式,取值為±230V。功放管柵極負壓應根據不同功率管特性決定,上邊管與下邊管通過各自的分壓網絡并通過調控電位器后獲得。
〈烜芯微/XXW〉專業制造二極管,三極管,MOS管,橋堆等,20年,工廠直銷省20%,上萬家電路電器生產企業選用,專業的工程師幫您穩定好每一批產品,如果您有遇到什么需要幫助解決的,可以直接聯系下方的聯系號碼或加QQ/微信,由我們的銷售經理給您精準的報價以及產品介紹
聯系號碼:18923864027(同微信)
QQ:709211280

