
傳真:
18923864027
QQ:
709211280
地址:
深圳市福田區振中路84號愛華科研樓7層
低壓mos管MOS管為壓控元件,你只需加到它的壓控元件所需電壓就能使它導通,它的導通就像三極管在飽和狀態一樣,導通結的壓降最小 這就是常說的
碳化硅管簡介碳化硅管具有強度高、硬度高、耐磨性好、耐高溫、耐腐蝕、抗熱抗震性好、導熱系數大以及抗氧化性好等優勝功能,首要用于中頻鑄
快恢復管快恢復二極管(簡稱FRD)是一種具有開關特性好、反向恢復時間短特點的半導體二極管,主要應用于開關電源、PWM脈寬調制器、變頻器等
常用高壓mos管型號與參數圖表TO-92Part NumbeID(A)VDSS(V)MaxRDS(ON)@60%ID(Ω)Typical RDS(ON)@60%ID(Ω)cisspF1N60H160011
常見快恢復二極管型號參數型號品牌額定電流額定電壓反向恢復二極管封裝極性IN5817XXW1A20V10nsIN5819XXW1A40V10nsIN5819XXW1A40V10nsIN5822
耗盡型場效應管場效應管的主要參數除輸入電阻RGS、漏極飽和電流IDSS、夾斷電壓UGS(off)和敞開電壓UGS(th)外,還有以下重要參數:(1)跨導g
場效應管參數型號 封裝 材料 用途 參數7N60HTO-263NMOS開關電源7A 600V7N65HTO-263NMOS開關電源7A 650V840S TO-263NMOS安定器
COOLMOS近來,LLC拓撲以其高效,高功率密度遭到廣闊電源規劃工程師的喜愛,可是這種軟開關拓撲對MOSFET的要求卻超過了以往任何一種硬開關拓
逆變器場效應管主要用處逆變器是把直流電能(電池、蓄電瓶)轉變成交流電(普通為220v50HZ正弦或方波)。淺顯的講,逆變器是一種將直流電(
MOS管種類MOSFET管是FET的一種(另一種是JFET),可以被制構成增強型或耗盡型,P溝道或N溝道共4種類型,但理論應用的只需增強型的N溝道MOS
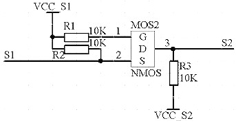
而本文主要闡述利用MOS管搭建的低成本方案,實現電平的雙向轉換(本文給大家提供兩個方式辦法)第一種方式:當你運用3 3V的單片機的時候,電
N溝道MOS管導通條件場效應管導通與截止由柵源電壓來操控,關于增強場效應管方面來說,N溝道的管子加正向電壓即導通,P溝道的管子則加反向電