ZVS (Zero Voltage Switching) 是一種電源轉換技術,其目的是在開關功率電路中實現零電壓開關。ZVS電源的工作原理是通過控制開關管的導通和關斷時機,實現電源的高效轉換。
零電壓開關(ZVS)原理


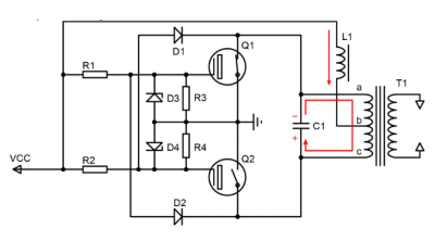
圖2-1 零電壓開關原理圖(直流供能)


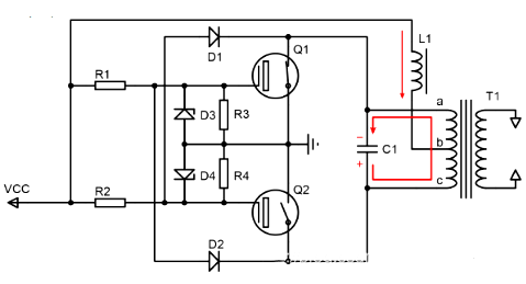
圖2-2 零電壓開關波形圖及其t2時刻波形圖
1.上電時L1通入的電流為零,電源通過R1、R2是Q1、Q2導通,L1電流逐漸增加,由于兩個開關管特性差異,將導致流入兩個開關管的電流不同,假設Q1電流大于Q2電流,所以Q1柵極電壓高于Q2柵極電壓,通過兩個二極管D1、D2,使得a點電壓低于c點電壓,故T1將產生b為正,a為負的感應電壓,于是通過T1形成正反饋,使Q1導通,Q2截止。完成啟動過程。
2.(t0~t1時間)穩態Q1導通時,由于上個周期T1電流為a到c,并且C1兩端電壓為零。由于電流不能突變,T1電流將對C1充電,C1逐漸為a負c正的電壓,并且正弦變大,T1電流正弦變小。此時a電壓被Q1下拉到0V,所以C點電壓正弦變大,Q1柵極電壓被D3穩壓管鉗位,Q1時鐘保持導通。


圖2-3 (t0~t1)Q1導通,T1電流對C1充電
4.(t1~t2時間)C1開始通過T1由c到a放電,C1電壓即c點電壓正弦變小,T1電流由c到a正弦變大。


圖2-4 (t1~t2)C1對T1繞組放電,當C1電壓為0左右時,Q1關斷,Q2導通
5.(t2時間)當C1能力基本放完時,c點電壓下降到MOS管閥值電壓左右,將通過D2使Q1進入放大區。此時C1對T1繞組由c到a放電電流達到最大值。同時由于Q1進入放大區,a點電壓逐漸上升,同時通過D1使Q2也進入放大區。
6.(t2時間)C1放電完畢,T1繞組由c到a電流達到最大值,將像C1充電,使C1充電為a正c負的電壓,同時C1兩端電壓正弦變大。此時兩個MOS管同時進入放大區。
7.(右圖)由于T1對C1的持續充電,C1上電壓為a正c負,通過兩個二極管使Q2柵極電壓升高,Q1柵極逐漸下降,同時正反饋形成,Q2導通,Q1截止。
8.Q2導通與Q1導通過程類似。<br /> 9.L1電感值比T1大,整個震蕩周期中L1電流基本不變。震蕩過程中L1持續為LC振蕩器補充電能。
〈烜芯微/XXW〉專業制造二極管,三極管,MOS管,橋堆等,20年,工廠直銷省20%,上萬家電路電器生產企業選用,專業的工程師幫您穩定好每一批產品,如果您有遇到什么需要幫助解決的,可以直接聯系下方的聯系號碼或加QQ/微信,由我們的銷售經理給您精準的報價以及產品介紹
聯系號碼:18923864027(同微信)
QQ:709211280

