mos管散熱片要絕緣嗎?
MOS管是功率元器件,發熱量比較大,需要額外輔助散熱,可以保障MOS管不被燒壞,維護電子設備的穩定。
MOS管的散熱設計,需要足夠的散熱片以及導熱絕緣硅膠墊片才能實現。mos散熱片是一種給電器中的易發熱電子元件散熱的裝置,多由鋁合金,黃銅或青銅做成板狀,片狀,多片狀等。

MOS管的散熱片確實需要保持絕緣。這是因為場效應管在工作時,其電流特性可能導致管體電位與輸入輸出端口電位之間產生巨大差異,從而出現反向漏電,造成電路短路或其他故障,嚴重時甚至可能危及設備的安全性。
因此,MOS管與散熱片之間需要保持一定的絕緣距離,通常通過在它們之間加入硅膠導熱片或導熱絕緣片來實現。導熱絕緣片具有良好的導熱性,絕緣性能高,可以有效保護MOS管不被燒毀,維護設備的穩定,所以在MOS管的應用中,確保適當的散熱和絕緣是非常重要的。
mos管散熱片要絕緣嗎?
看MOS的封裝結構和電路形式和它們的散熱部位是否在電路中相互直接連接。全塑封裝,裝到散熱器上時不必加絕緣墊;帶金屬片與中間腳相連,裝散熱器時要加絕緣墊。如果在電路中本來就是相互間直接連接的(例如都是接地的),那么就無須絕緣。否則就要加絕緣件。
mos管散熱片要接地嗎?
MOS管的散熱片需要接地。因為在電磁兼容性(EMC)測試中,接地散熱片對于MOS管是必要的。
當MOS管的EMC通過時,散熱片需要接地,而在散熱片不接地的情況下,EMC是無法通過的。
簡單來說,針對傳導可以將一些開關輻射通過散熱器傳導到大地回路,減弱了走傳輸線,讓流通的路徑更多了。
不接地的散熱片不僅對EMC沒有好處,反而可能成為輻射發射源,對EMC造成更大的干擾。接地散熱片還能起到一定的屏蔽效果,有助于提高電子設備的整體穩定性。
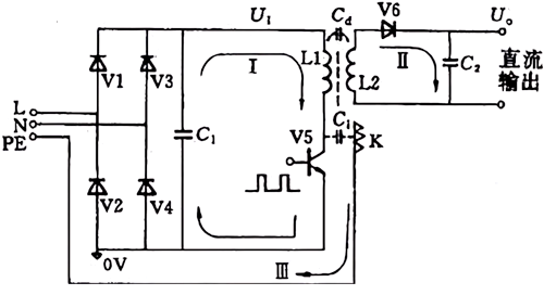
共模干擾

圖1所示,減少開關管集電極和散熱片之間的耦合電容Ci??梢赃x用低介電常數的材料作絕緣墊,加厚墊片的厚度。也可以用靜電屏蔽的方法。例如,在集電極和散熱片之間墊上一層夾心絕緣物,即絕緣物中間夾一層銅箔,作為靜電屏蔽層,并接在輸入直流0V地上,散熱片仍接機殼地,這層靜電屏蔽層將大大減小集電極和散熱片之間的電場耦合。
圖2所示,即將共模干擾轉化為差模,回流的源中,不通過LISN。

開關管和散熱片之間的靜電屏蔽
〈烜芯微/XXW〉專業制造二極管,三極管,MOS管,橋堆等,20年,工廠直銷省20%,上萬家電路電器生產企業選用,專業的工程師幫您穩定好每一批產品,如果您有遇到什么需要幫助解決的,可以直接聯系下方的聯系號碼或加QQ/微信,由我們的銷售經理給您精準的報價以及產品介紹
聯系號碼:18923864027(同微信)
QQ:709211280

