RS5M貼片快恢復二極管5A,1000V,RS5M封裝有SMB/SMC多種封裝,RS5M參數規格書
RS5M快恢復二極管/SMB參數規格書: 點擊下載
RS5M快恢復二極管/SMC參數規格書: 點擊下載
RS5M快恢復二極管,SMB/SMC封裝參數如下:
Maximum repetitive peak reverse voltage VRRM 最大重復峰值反向電壓:1000V
Maximum DC blocking voltage VDC 最大直流閉鎖電壓:1000V
Maximum average forward rectified current I(AV) 最大正向平均整流電流:5A
Maximum instantaneous forward voltage at 5A VF 5A時的最大瞬時正向電壓:1.3V
Maximum DC reverse current at rated DC blocking voltage TA=25℃ IR 額定直流阻斷電壓下的最大直流反向電流:5.0uA
Maximum DC reverse current at rated DC blocking voltage TA=125℃ IR 額定直流阻斷電壓下的最大直流反向電流:250.0uA
Operating junction and storage temperature range TJ,TSTG 工作溫度和存儲溫度范圍:-55to +150℃
Maximum reverse recovery time 恢復時間:500ns
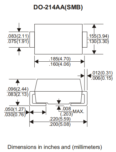
RS5M快恢復二極管,DO-214AA/SMB封裝尺寸:

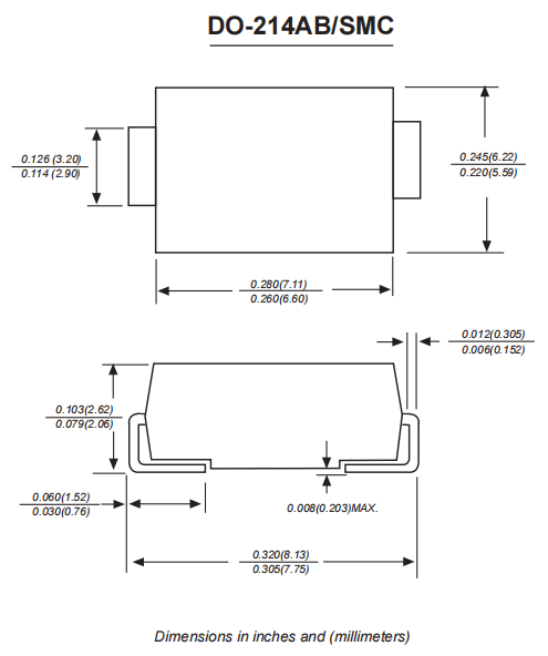
RS5M快恢復二極管,DO-214AB/SMC封裝尺寸:

聯系號碼:18923864027
QQ:709211280
烜芯微專業制造二極管,三極管,MOS管,橋堆等,20年,工廠直銷省20%,1500家電路電器生產企業選用,專業的工程師幫您穩定好每一批產品,如果您有遇到什么需要幫助解決的,可以直接聯系上方的聯系號碼或加QQ,由我們的銷售經理給您精準的報價以及產品介紹



