繼電器驅動電路是一種當輸入量變化到某一定值時,其觸頭(或電路)即接通 或分斷交直流小容量控制回路。
1.繼電器驅動電路作用
繼電器是具有隔離功能的自動開關元件,當輸入回路中激勵量的變化達到規定值時,能使輸出回路中的被控電量發生預定階躍變化的自動電路控制器件。它具有能反應外界某種激勵量(電或非電)的感應機構、對被控電路實現"通"、"斷"控制的執行機構,以及能對激勵量的大小完成比較、判斷和轉換功能的中間比較機構。繼電器廣泛應用于遙控、遙測、通訊、自動控制、機電一體化及和航天技術等領域,起控制、保護、調節和傳遞信息的作用。
繼電器一般都有能反映一定輸入變量(如電流、電壓、功率、阻抗、頻率、溫度、壓力、速度、光等)的感應機構(輸入部分);有能對被控電路實現"通"、"斷"控制的執行機構(輸出部分);在繼電器的輸入部分和輸出部分之間,還有對輸入量進行耦合隔離,功能處理和對輸出部分進行驅動的中間機構(驅動部分)。
而作為控制元件,繼電器有如下幾種作用:
(1)擴大控制范圍:例如,多觸點繼電器控制信號達到某一定值時,可以按觸點組的不同形式,同時換接、開斷、接通多路電路。
(2)放大:例如,靈敏型繼電器、中間繼電器等,用一個很微小的控制量,可以控制很大功率的電路
(3)綜合信號:例如,當多個控制信號按規定的形式輸入多繞組繼電器時,經過比較綜合,達到預定的控制效果。
(4)自動、遙控、監測:例如,自動裝置上的繼電器與其他電器一起,可以組成程序控制線路,從而實現自動化運行。
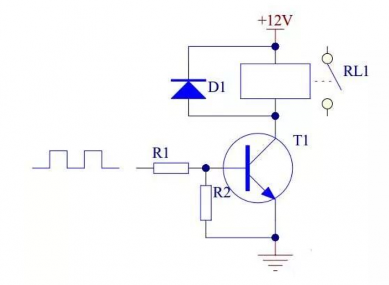
2.繼電器驅動電路圖

3.繼電器驅動電路原理
電磁式繼電器一般由鐵芯、線圈、銜鐵、觸點簧片等組成的。只要在線圈兩端加上一定的電壓,線圈中就會流過一定的電流,從而產生電磁效應,銜鐵就會在電磁力吸引的作用下克服返回彈簧的拉力吸向鐵芯,從而帶動銜鐵的動觸點與靜觸點(常開觸點)吸合。當線圈斷電后,電磁的吸力也隨之消失,銜鐵就會在彈簧的反作用力返回原來的位置,使動觸點與原來的靜觸點(常閉觸點)釋放。這樣吸合、釋放,從而達到了在電路中的導通、切斷的目的。對于繼電器的“常開、常閉”觸點,可以這樣來區分:繼電器線圈未通電時處于斷開狀態的靜觸點,稱為“常開觸點”;處于接通狀態的靜觸點稱為“常閉觸點”。

當輸入高電平時,晶體管T1飽和導通,繼電器線圈通電,觸點吸合。
當輸入低電平時,晶體管T1截止,繼電器線圈斷電,觸點斷開。
晶體管T1為控制開關。電阻R1主要起限流作用,降低晶體管T1功耗。電阻R2使晶體管T1可靠截止。二極管D1反向續流,為三極管由導通轉向關斷時為繼電器線圈中的提供泄放通路,并將其電壓箝位在+12V上。

繼電器串聯 RC 電路:這種形式主要應用于繼電器的額定工作電壓低于電源電壓的電路中。當電路閉合時,繼電器線圈由于自感現象會產生電動勢阻礙線圈中電流的增大,從而延長了吸合時間,串聯上 RC 電路后則可以縮短吸合時間。原理是電路閉合的瞬間,電容 C 兩端電壓不能突變可視為短路,這樣就將比繼電器線圈額定工作電壓高的電源電壓加到線圈上, 從而加快了線圈中電流增大的速度,使繼電器迅速吸合。電源穩定之后電容 C 不起作用,電阻 R 起限流作用。
烜芯微專業制造二極管,三極管,MOS管,橋堆等20年,工廠直銷省20%,4000家電路電器生產企業選用,專業的工程師幫您穩定好每一批產品,如果您有遇到什么需要幫助解決的,可以點擊右邊的工程師,或者點擊銷售經理給您精準的報價以及產品介紹
烜芯微專業制造二極管,三極管,MOS管,橋堆等20年,工廠直銷省20%,4000家電路電器生產企業選用,專業的工程師幫您穩定好每一批產品,如果您有遇到什么需要幫助解決的,可以點擊右邊的工程師,或者點擊銷售經理給您精準的報價以及產品介紹

