LM317是常見的可調集成穩壓器,最大輸出電流2.2A,輸出電壓范圍1.25v一37v(可連續可調),元件樣圖如下:


集成內部結構圖:

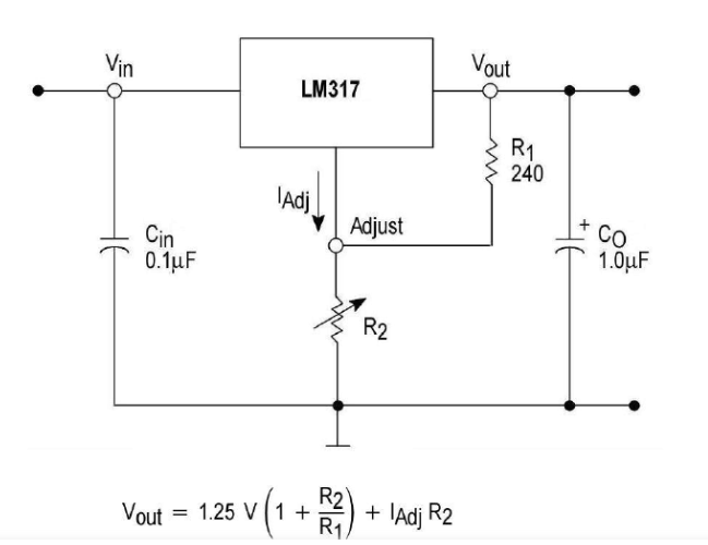
LM317基本接法圖:

上圖中,1、2腳之間為1.25v電壓基準,為保證穩壓器的輸出性能,R1應小于240Ω,改變R2阻值即可調整穩壓電壓值,D1、D2用于保護LM317。
下面是LM317應用電路原理見圖:

LM317輸出電流為1.5A,輸出電壓可在1.2v一37v之間連續調節,其輸出電壓由兩只外接電阻R1、RP1決定,輸出端和調整端之間的電壓差為1.25v,這個電壓將產生幾毫安的電流,經R1、Rp1到地,在Rp1上分得的電壓加到調整端,通過改變Rp1就能改變輸出電壓。
ⅤD1(1N4007)為保護二極管,防止隱壓器輸出短路而損壞lc,ⅤD2(1N4002)用于防止輸出短路而損壞集成電路。
此應用電路達到效果是: 電路輸出電壓1.25v一37v之間連續可調,輸出最大電流1.5A。
LM317可調穩壓電源電路圖:這里介紹的可調穩壓電源可以實現從1.25V~30V連續可調,輸出電流可到4A左右。采用最常見的可調穩壓集成電路LM317組成電路的核心,關于LM317的詳細指標參數可參閱用LM317制作簡易電源電路。下面簡單介紹一下該電路的特點。
本電路中,由T2、D5、VW1、R5、R6、C10及繼電器K構成自適應切換動作電路。當輸出電路低于14V時,VW1因擊穿電壓不夠而截止,無電流通過,T2截止,K不吸合,其觸點K在常態位置,電路輸入電流14V交流電。反之當輸出電壓高于14V時,VW1擊穿導通,T2亦導通,繼電器K吸合,28V交流電接入電路。這樣可以保證輸入電壓與輸出電壓差不會大于15V,此時,LM317輸出電流典型值為2.2A。圖中采用了兩塊LM317供電,整個電路輸出電流可在4A以上。由于兩塊LM317參數不可能一樣,電路中在LM317輸出端串接了小阻值電阻R3、R4,用以均分電流。
輸出電壓調整由RP1、RP2完成。附加晶體管T1的目的在于避免電位器RP1滑動端接觸不良,使W317調整公共端對地開路,造成輸出電壓突然變化,損壞電源及負載。
雙色發光二極管作為保險絲熔斷指示器(紅光)兼電源只是器(橙色光)。當電源正常時,兩只發光二極管均加有正向電壓,紅、綠發光二極管均發光,形成橙色光。當保險絲FU2斷開時,僅紅色發光管加有正向電壓,故此時只發紅光。
為保證穩壓準確,設計電路板時主電流回路應足夠寬,并焊上1mm以上的銅導線或涂錫,以減少紋波電壓。C6、C8盡量靠近LM317的輸入、輸出端,并優先采用無感電容。C5如無合適容量,可用幾只電容并聯。R3、R4可用錳絲自制。
調試時,調整RP1、RP2應使繼電器在電源輸出14V左右時吸合,否則可調換穩壓二極管再試。


烜芯微專業制造二極管,三極管,MOS管,橋堆等20年,工廠直銷省20%,4000家電路電器生產企業選用,專業的工程師幫您穩定好每一批產品,如果您有遇到什么需要幫助解決的,可以點擊右邊的工程師,或者點擊銷售經理給您精準的報價以及產品介紹

