igbt簡介
igbt工作原理及接線圖,我們先了解一下igbt是什么?IGBT是Insulated Gate Bipolar Transistor(絕緣柵雙極型晶體管)的縮寫,IGBT是由MOSFET和雙極型晶體管復合而成的一種器件,其輸入極為MOSFET,輸出極為PNP晶體管,它融和了這兩種器件的優點,既具有MOSFET器件驅動功率小和開關速度快的優點,又具有雙極型器件飽和壓降低而容量大的優點,其頻率特性介于MOSFET與功率晶體管之間,可正常工作于幾十kHz頻率范圍內,在現代電力電子技術中得到了越來越廣泛的應用,在較高頻率的大、中功率應用中占據了主導地位。
IGBT的等效電路如下圖所示。由下圖可知,若在IGBT的柵極和發射極之間加上驅動正電壓,則MOSFET導通,這樣PNP晶體管的集電極與基極之間成低阻狀態而使得晶體管導通;若IGBT的柵極和發射極之間電壓為0V,則MOS 截止,切斷PNP晶體管基極電流的供給,使得晶體管截止。IGBT與MOSFET一樣也是電壓控制型器件,在它的柵極—發射極間施加十幾V的直流電壓,只有在uA級的漏電流流過,基本上不消耗功率。
通俗來講:IGBT是一種大功率的電力電子器件,是一個非通即斷的開關,IGBT沒有放大電壓的功能,導通時可以看做導線,斷開時當做開路。三大特點就是高壓、大電流、高速。


igbt結構
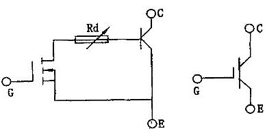
igbt是一個三端器件,它擁有柵極G、集電極c和發射極E。IGBT的結構、簡化等效電路和電氣圖形符號如圖所示。
如圖所示為N溝道VDMOSFFT與GTR組合的N溝道IGBT(N-IGBT)的內部結構斷面示意圖。IGBT比VDMOSFET多一層P+注入區,形成丁一個大面積的PN結J1。由于IGBT導通時由P+注入區向N基區發射少子,因而對漂移區電導率進行調制,可仗IGBT具有很強的通流能力。介于P+注入區與N-漂移區之間的N+層稱為緩沖區。有無緩沖區決定了IGBT具有不同特性。
有N*緩沖區的IGBT稱為非對稱型IGBT,也稱穿通型IGBT。它具有正向壓降小、犬斷時間短、關斷時尾部電流小等優點,但其反向阻斷能力相對較弱。無N-緩沖區的IGBT稱為對稱型IGBT,也稱非穿通型IGBT。它具有較強的正反向阻斷能力,但它的其他特性卻不及非對稱型IGBT。
如下圖(b)所示的簡化等效電路表明,IGBT是由GTR與MOSFET組成的達林頓結構,該結構中的部分是MOSFET驅動,另一部分是厚基區PNP型晶體管。


igbt工作原理及接線圖
(一)igbt工作原理
簡單來說,IGBT相當于一個由MOSFET驅動的厚基區PNP型晶體管,它的簡化等效電路如上圖(b)所示,圖中的RN為PNP晶體管基區內的調制電阻。從該等效電路可以清楚地看出,IGBT是用晶體管和MOSFET組成的達林頓結構的復合器件。岡為圖中的晶體管為PNP型晶體管,MOSFET為N溝道場效應晶體管,所以這種結構的IGBT稱為N溝道IIGBT,其符號為N-IGBT。類似地還有P溝道IGBT,即P- IGBT。
IGBT的電氣圖形符號如上圖(c)所示。IGBT是—種場控器件,它的開通和關斷由柵極和發射極間電壓UGE決定,當柵射電壓UCE為正且大于開啟電壓UCE(th)時,MOSFET內形成溝道并為PNP型晶體管提供基極電流進而使IGBT導通,此時,從P+區注入N-的空穴(少數載流子)對N-區進行電導調制,減小N-區的電阻RN,使高耐壓的IGBT也具有很小的通態壓降。當柵射極間不加信號或加反向電壓時,MOSFET內的溝道消失,PNP型晶體管的基極電流被切斷,IGBT即關斷。由此可知,IGBT的驅動原理與MOSFET基本相同。
①當UCE為負時:J3結處于反偏狀態,器件呈反向阻斷狀態。
②當uCE為正時:UC< UTH,溝道不能形成,器件呈正向阻斷狀態;UG>UTH,絕緣門極下形成N溝道,由于載流子的相互作用,在N-區產生電導調制,使器件正向導通。
1)導通
IGBT硅片的結構與功率MOSFET的結構十分相似,主要差異是JGBT增加了P+基片和一個N+緩沖層(NPT-非穿通-IGBT技術沒有增加這個部分),其中一個MOSFET驅動兩個雙極器件(有兩個極性的器件)。基片的應用在管體的P、和N+區之間創建了一個J,結。當正柵偏壓使柵極下面反演P基區時,一個N溝道便形成,同時出現一個電子流,并完全按照功率MOSFET的方式產生一股電流。
如果這個電子流產生的電壓在0.7V范圍內,則J1將處于正向偏壓,一些空穴注入N-區內,并調整N-與N+之間的電阻率,這種方式降低了功率導通的總損耗,并啟動了第二個電荷流。最后的結果是在半導體層次內臨時出現兩種不同的電流拓撲:一個電子流(MOSFET電流);一個空穴電流(雙極)。當UCE大于開啟電壓UCE(th),MOSFET內形成溝道,為晶體管提供基極電流,IGBT導通。
2)導通壓降
電導調制效應使電阻RN減小,通態壓降小。所謂通態壓降,是指IGBT進入導通狀態的管壓降UDS,這個電壓隨UCS上升而下降。
3)關斷
當在柵極施加一個負偏壓或柵壓低于門限值時,溝道被禁止,沒有空穴注入N-區內。在任何情況下,如果MOSFET的電流在開關階段迅速下降,集電極電流則逐漸降低,這是閡為換向開始后,在N層內還存在少數的載流子(少于)。這種殘余電流值(尾流)的降低,完全取決于關斷時電荷的密度,而密度又與幾種因素有關,如摻雜質的數量和拓撲,層次厚度和溫度。
少子的衰減使集電極電流具有特征尾流波形。集電極電流將引起功耗升高、交叉導通問題,特別是在使用續流二極管的設備上,問題更加明顯。
鑒于尾流與少子的重組有關,尾流的電流值應與芯片的Tc、IC:和uCE密切相關,并且與空穴移動性有密切的關系。因此,根據所達到的溫度,降低這種作用在終端設備設計上的電流的不理想效應是可行的。當柵極和發射極間施加反壓或不加信號時,MOSFET內的溝道消失,晶體管的基極電流被切斷,IGBT關斷。
4)反向阻斷
當集電極被施加一個反向電壓時,J,就會受到反向偏壓控制,耗盡層則會向N-區擴展。因過多地降低這個層面的厚度,將無法取得一個有效的阻斷能力,所以這個機制十分重要。另外,如果過大地增加這個區域的尺寸,就會連續地提高壓降。
5)正向阻斷
當柵極和發射極短接并在集電極端子施加一個正電壓時,J,結受反向電壓控制。此時,仍然是由N漂移區巾的耗盡層承受外部施加的電壓。
6)閂鎖
ICBT在集電極與發射極之間有—個寄生PNPN晶閘管。在特殊條件下,這種寄生器件會導通。這種現象會使集電極與發射極之間的電流量增加,對等效MOSFET的控制能力降低,通常還會引起器件擊穿問題。晶閘管導通現象被稱為IGBT閂鎖。具體來說,產生這種缺陷的原因各不相同,但與器件的狀態有密切關系。
(二)igbt接線圖


igbt模塊的安裝
為了使接觸熱阻變小,推薦在散熱器與IGBT模塊的安裝面之間涂敷散熱絕緣混合劑。涂敷散熱絕緣混合劑時,在散熱器或IGBT模塊的金屬基板面上涂敷。如圖1所示。隨著IGBT模塊與散熱器通過螺釘夾緊,散熱絕緣混合劑就散開,使IGBT模塊與散熱器均一接觸。


上圖:兩點安裝型模塊 下圖:一點安裝型模塊
涂敷同等厚度的導熱膏(特別是涂敷厚度較厚的情況下)可使無銅底板的模塊比有銅底板散熱的模塊的發熱更嚴重,最終引至模塊的結溫超出模塊的安全工作的結溫上限(Tj《 125℃或125℃)。因為散熱器表面不平 整所引起的導熱膏的厚度增加,會增大接觸熱阻,從而減慢熱量的擴散速度。
IGBT模塊安裝時,螺釘的夾緊方法如圖2所示。另外,螺釘應以推薦的夾緊力矩范圍予以夾緊。如果該力矩不足,可能使接觸熱阻變大,或在工作中產生松動。反之,如果力矩過大,可能引起外殼破壞。將IGBT模塊安裝在由擠壓模制作的散熱器上時,IGBT模塊的安裝與散熱器擠壓方向平行,這是為了減小散熱器變形的影響。


螺釘的夾緊方法
把模塊焊接到PCB時,應注意焊接時間要短。注意波形焊接機的溶劑干燥劑的用量,不要使用過量的溶劑。模塊不能沖洗。用網版印刷技術在散熱器表面印刷50μm的散熱復合用螺釘把模塊和PCB安裝在散熱器上。在未上螺釘之前,輕微移動模塊可以更好地分布散熱膏。安裝螺釘時先用合適的力度固定兩個螺釘,然后用推薦的力度旋緊螺釘。
在IGBT模塊的端子上,將柵極驅動電路和控制 電路錫焊時,一旦焊錫溫度過高,可能發生外殼樹脂材料熔化等不良情況。一般性產品的端子耐熱性試驗條件:焊錫溫度: 260±5℃。焊接時間: 10±1s。次數:1次。


igbt單開關型模塊的內部接線圖-GA系列
igbt接線注意事項
1)柵極與任何導電區要絕緣,以免產生靜電而擊穿,IGBT在包裝時將G極和E極之問有導電泡沫塑料,將它短接。裝配時切不可用手指直接接觸G極,直到 G極管腳進行永久性連接后,方可將G極和E極之間的短接線拆除。
2)在大功率的逆變器中,不僅上橋臂的開關管要采用各自獨立的隔離電源,下橋臂的開關管也要采用各自獨立的隔離電源,以避免回路噪聲,各路隔離電源要達到一定的絕緣等級要求。
3)在連接IGBT 電極端子時,主端子電極間不能有張力和壓力作用,連接線(條)必須滿足應用,以免電極端子發熱在模塊上產生過熱。控制信號線和驅動電源線要離遠些,盡量垂直,不要平行放置。
4)光耦合器輸出與IGBT輸入之間在PCB上的走線應盡量短,最好不要超過3cm。
5)驅動信號隔離要用高共模抑制比( CMR)的高速光耦合器,要求 tp《0.8μs,CMR》l0kV/μs,如6N137,TCP250 等。
6)IGBT模塊驅動端子上的黑色套管是防靜電導電管,用接插件引線時,取下套管應立即插上引線;或采用焊接引線時先焊接再剪斷套管。
7)對IGBT端子進行錫焊作業的時候,為了避免由烙鐵、烙鐵焊臺的泄漏產生靜電加到IGBT上,烙鐵前端等要用十分低的電阻接地。焊接G極時,電烙鐵要停電并接地,選用定溫電烙鐵最合適。當手工焊接時,溫度260℃±5℃,時間(10 +1)s。波峰焊接時,PCB要預熱80 ~105℃,在245℃時浸入焊接3~4s。
8)儀器測量時,應采用1000 電阻與G極串聯。在模塊的端子部測量驅動電壓( VGE)時,應確認外加了既定的電壓。
9)IGBT模塊是在用lC泡沫等導電性材料對控制端子采取防靜電對策的狀態下出庫的。這種導電性材料在產品進行電路連接后才能去除。
10)僅使用FWD而不使用IGBT時(比如在斬波電路等中應用時),不使用的IGBT的G-E間應加-5V以上(推薦-15V、最大- 20V)的反偏壓。反偏壓不足時,IGBT可能由于FWD反向恢復時的dv/dt引起誤觸發而損壞。
烜芯微專業制造二三極管,MOS管,20年,工廠直銷省20%,1500家電路電器生產企業選用,專業的工程師幫您穩定好每一批產品,如果您有遇到什么需要幫助解決的,可以點擊右邊的工程師,或者點擊銷售經理給您精準的報價以及產品介紹
烜芯微專業制造二三極管,MOS管,20年,工廠直銷省20%,1500家電路電器生產企業選用,專業的工程師幫您穩定好每一批產品,如果您有遇到什么需要幫助解決的,可以點擊右邊的工程師,或者點擊銷售經理給您精準的報價以及產品介紹

